關於嵩慶
關於嵩慶欣業
SGS-綠色標章
相關規範
相關認證
最新消息
新聞發布
鐵氟龍知識
嵩慶知識
EDPM知識
鐵氟龍產品
鐵氟龍管
PTFE鐵氟龍管
PTFE彩色管
PTFE抗靜電管
FEP鐵氟龍管
PFA鐵氟龍管
鐵氟龍熱縮管
鐵氟龍彈簧管
鐵氟龍絕緣套管/毛細管
鐵氟龍波紋管
鐵氟龍不鏽鋼編織管
鐵氟龍預成型波紋管
鐵氟龍預成型管
金屬波紋管內襯鐵氟龍
金屬管內襯鐵氟龍
鐵氟龍噴塗
鐵氟龍噴塗-食品級
鐵氟龍噴塗-工業級
鐵氟龍內襯
鐵氟龍焊接
電熱器 / 熱交換器
鐵氟龍電熱器
鐵氟龍熱交換器
鐵氟龍玻纖布
鐵氟龍網格玻纖布
鐵氟龍玻纖輸送帶
鐵氟龍玻纖膠帶
鐵氟龍玻纖布-食品專用
矽膠玻纖布
鐵氟龍加工品
鐵氟龍桶槽
鐵氟龍束線帶
鐵氟龍絕緣子
鐵氟龍薄膜
鐵氟龍薄膜膠帶
鐵氟龍墊片/墊圈
鐵氟龍BELLOW/伸縮管
鐵氟龍泡綿/防火彈性帶
鐵氟龍輸送滾輪/軸承
鐵氟龍攪拌棒
鐵氟龍圓球/橢圓球
FEP包覆式Oring (Silicon / Vition)
VITON O-RING 表面噴塗 PTFE
PTFE O-RING / 全氟O型圈
鐵氟龍毛刷
鐵氟龍螺絲
PVDF 十字皿頭螺絲
鐵氟龍實驗室器材
鐵氟龍清洗架/花籃
鐵氟龍燒杯
鐵氟龍試管
鐵氟龍鑷子
鐵氟龍攪拌子
鐵氟龍接頭(PFA)
PFA直通等徑擴口接頭
PFA擴口外牙NPT螺紋變徑直通接頭
PFA擴口直接變徑接頭
PFA擴口板式等徑直通接頭
PFA擴口板式變徑直通接頭
PFA擴口外牙NPT螺紋直通接頭
PFA內牙FNPT內螺紋直接接頭
PFA擴口90°等徑彎接頭
PFA擴口外牙NPT螺紋變徑90°彎接頭
PFA擴口90°變徑彎接頭
PFA外牙NPT螺紋等徑90°彎接頭
PFA擴口等徑三通接頭
PFA擴口變徑外牙NPT螺紋接頭
PFA擴口變徑三通接頭
EPDM產品
EPDM橡膠管
EPDM夾紗管
EPDM預成型管/定型管
EPDM布紋面夾紗預成型管
EPDM隔膜墊片
解決方案
伺服器水冷管路解決方案
車用水冷管路解決方案
合作夥伴
加工技術
鐵氟龍
工程塑膠
金屬加工
管件翻邊技術
風管產品
軟質風管
LT-422 耐高溫排氣煙囪風管(可達+200 ℃)
LT-426-HT 耐高溫矽膠風管(-70°C/+500°C,短時可達+550°C)
LT-427 鋁箔耐高溫保溫風管(GB8624B1級燃燒測試)
LT-428 耐高溫保溫風管(-70°C/+300°C) 短時間可達+350 °C
LT-429 氯丁橡膠複合風管(40°C/+150°C,短時可達+170°C )
LT-461 高溫排氣風管
LT-480 耐高溫風管(-70°C/+1000°C)
LT-423-C 耐高溫風管 (40 ℃/130 ℃,短時間可達+150 ℃)
LT-423-E 耐高溫風管(-40 ℃ /130 ℃,短時間可達+150 ℃)
LT-426-W 耐高溫矽膠風管(-70 °C/+300 °C ,短時間可達350 °C。)
LT462-阻燃VO防靜電軟管(-70 °C/+550°C)
伸縮風管
LT-370 耐腐蝕風管(-30℃/+250℃)
LT-371耐酸鹼軟管(-150°C/+270°C)
LT-400 高溫伸縮風管(-60℃/+400℃)
LT-460 耐高溫通風管(-60℃/+600℃,短時間可達700℃)
LT-463 耐高溫內夾風管(-70℃/+300℃)
LT-464 複合鋁箔纖維風管(可達180℃)
LT-490 耐高溫阻燃風管(-60℃/+900℃)
聯絡我們
我們的品牌
向右滑動⭢
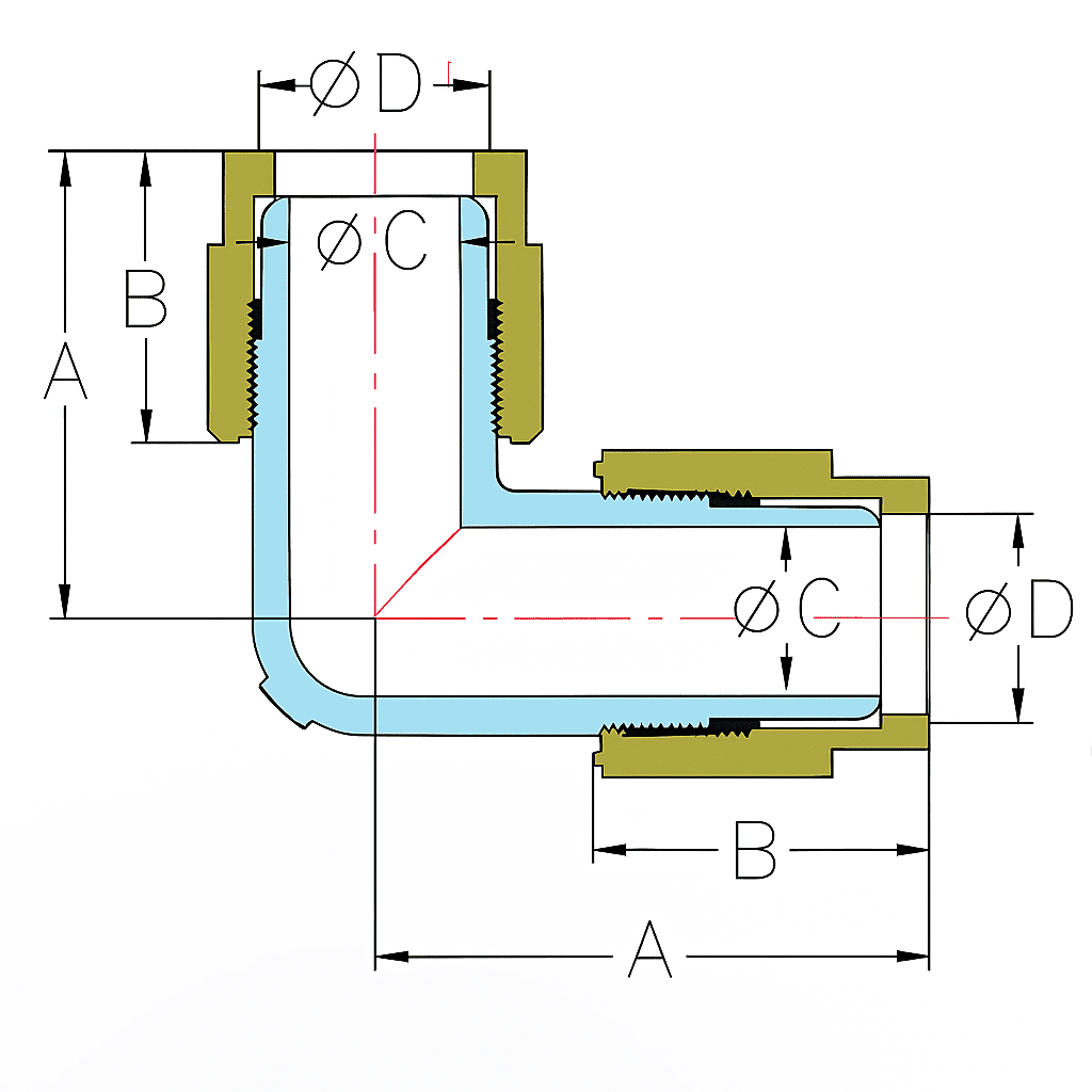
PFA 擴口 90° 等徑彎接頭採用高純度可溶性聚四氟乙烯(PFA)製成,符合 SEMI F57 標準,耐溫範圍 -200°C 至 +260°C,擁有優異的耐化學性、機械強度及高純淨度,適用於嚴苛及高潔淨應用需求。
相關商品
採用高純度可溶性聚四氟乙烯(PFA)製成,符合 SEMI F57 標準,耐高低溫(-200°C 至 +260°C),具優異的耐化學與機械性能,適合高純度及嚴苛化學環境使用。
採用高純度可溶性聚四氟乙烯(PFA)製成,符合 SEMI F57 標準,耐溫範圍 -200°C 至 +260°C,具備優異的耐化學性、光滑表面及高機械強度,適合用於各種高潔淨與高腐蝕性環境。
採用高純度可溶性聚四氟乙烯(PFA)製成,符合 SEMI F57 規範,具備卓越的耐化學性、熱穩定性與材料純淨度,適用於高潔淨要求的流體輸送與製程設備連接,確保系統運作穩定、安全。
使用高純度可溶性聚四氟乙烯(PFA)製成,符合 SEMI F57 標準,耐溫範圍可達 -200°C 至 +260°C,具備優異的耐化學性及穩定的機械性能,適合嚴苛及需要高潔淨度的管路系統。